色多多在线观看,色多多黄色视频,色多多在线观看视频,色多多短视频APP官网入口
欢迎光临 [ 无锡色多多在线观看气动液压工程有限公司 ] 官方网站!
网站首页
|
联系色多多在线观看
|
网站地图
0510-88230668
网站首页
公司简介
产品中心
新闻资讯
企业文化
联系色多多在线观看
企业招聘
企业邮箱
色多多黄色视频
色多多在线观看视频
色多多短视频APP官网入口
重载液压油缸
轻型拉杆式液压油缸
冶金设备液压油缸
重型冶金设备液压油缸
位移传感式伺服液压油缸
磁性感应液压油缸
齿轮齿条摆动油缸
油路模块
多通路液压旋转接头
气缸系列
气动控制系列
气源处理系列
气动附件
气液性能测试台
新闻资讯
色多多黄色视频的保持扭矩有什么用
了解一下液压油缸的分解和维修
你知道如何清洗液压油缸吗
讲讲液压泵站的工作原理
摆动油缸漏油处理方法
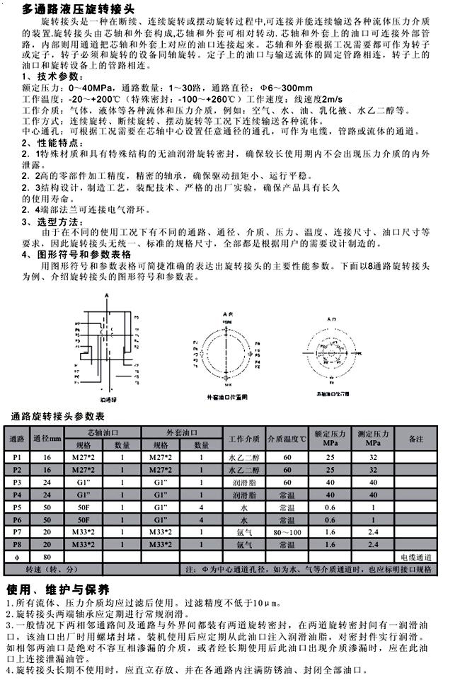
多通路液压旋转接头
当前位置:
首页
>
产品中心
>
多通路液压旋转接头
>
多通路液压旋转接头
上一篇:
油路模块
下一篇:
QGS基本型
相关产品
多通路液压旋转接头
点击图片进入详情
快速链接:
网站主页
公司简介
产品中心
新闻资讯
企业文化
联系色多多在线观看
企业招聘
企业邮箱
网站地图
产品列表
色多多黄色视频
色多多在线观看视频
色多多短视频APP官网入口
重载液压油缸
轻型拉杆式液压油缸
冶金设备液压油缸
重型冶金设备液压油缸
位移传感式伺服液压油缸
磁性感应液压油缸
齿轮齿条摆动油缸
油路模块
多通路液压旋转接头
气缸系列
气动控制系列
气源处理系列
气动附件
气液性能测试台
联系色多多在线观看
总经理:邓先生 13906187322
电 话:0510-88230668 / 88230085
传 真:0510-88230985
网 址:www.huxueli.com
邮 箱:sales@wxadyy.com
邮 箱:168dengjianping@163.com
地 址:无锡市新吴区坊前工业园
QQ 在线咨询:
邓经理(
)
卢经理(
)
Copy right © 2018 无锡色多多在线观看气动液压工程有限公司 版权所有 All Rights Reserved
苏ICP备34874305号-3
滑环
机械搅拌器
开炼机
水下切割
沥青热再生
刮板薄膜蒸发器
精馏塔
双螺旋混合机
列管换热器
沥青搅拌站
废纸打包机
空气热交换器
珩磨机
可拆板式换热器
列管式冷凝器
丝杆
犁刀混合机
V型混料机
列管冷凝器
活塞杆
展开
收缩
无锡色多多在线观看气动液压工程有限公司
在线客服
在线客服
电话:0510-88230668
电话:0510-88230085
网站地图